聯系我們 contact us
0755-23500973
- 手機:
- 137 6026 2620
- 經理:
- 何經理
- 郵箱:
- jesion.he@ac-led.com.cn
- 地址:
- 深圳市光明區公明街道上村上輦工業區5棟3樓
大電流恒流二極管
作者: 來源:本站 發表時間:2020-08-11 11:31:36 瀏覽:次
產品概述
產品簡介
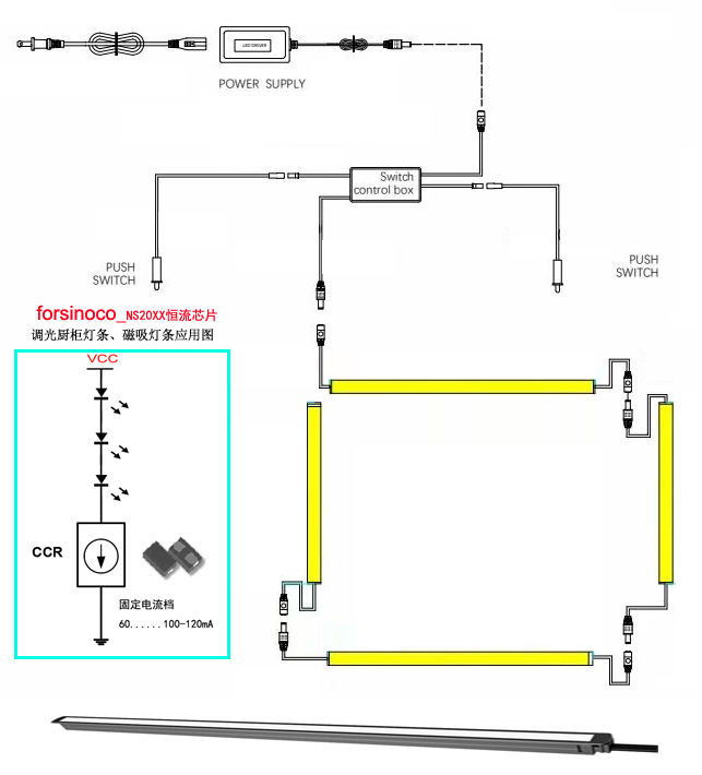
大電流恒流二極管產品是一款簡單易用的定電流驅動芯片,具有良好的負載與電源調變率和極小輸出電流誤差。該芯片采用線性恒流方式使LED工作在最佳狀態,即使在大面積光源上,電源及負載大幅波動時都能讓LED亮度均勻一致, 延長了LED使用壽命。該系列芯片采用了SOT89-3封裝,類似常規恒流二極管 (CRD),通過內建的高穩定度線性恒流電路實現恒流輸出,極大簡化了應用難度。在高壓電源和低LED負載電壓的應用場合,可采用接入一顆高壓MOSFET或BJT的方式來分攤多余電壓,從而方便應用在市電通用照明場合。內建的過溫保護電路,在管芯溫度超過135℃時會自動平滑減小輸出電流,實現良好的過溫保護與提醒功能。
產品應用
HV-LED驅動、一般LED照明、LCD背光、LED手電筒、RGB裝飾燈
原理圖
特點:
1、支持20K頻率調光
2、精度高、一致性好,應用簡單
應用場景

上一條 : 高精度固定電流恒流IC
下一條 : 過溫過壓保護車燈恒流驅動器