中国黄色片一级,《完美世界》txt全集,天蚕土豆,手机推荐排行榜

網站公告:
LED驅動及電源管理IC專業方案設計企業_深圳市華芯光電有限公司,我們恭迎您的來電! 誠信為本:市場在變,誠信永遠不變...
全國服務熱線:0755-23500973
導航分類News
聯系我們 contact us
0755-23500973
手機:
137 6026 2620
經理:
何經理
郵箱:
jesion.he@ac-led.com.cn
地址:
深圳市光明區公明街道上村上輦工業區5棟3樓
企業新聞News
磁吸燈軌道燈智能家居照明共陽極調光無頻閃LED恒流驅動IC
作者:  來源:本站  發表時間:2023-05-22 09:17:58   瀏覽:

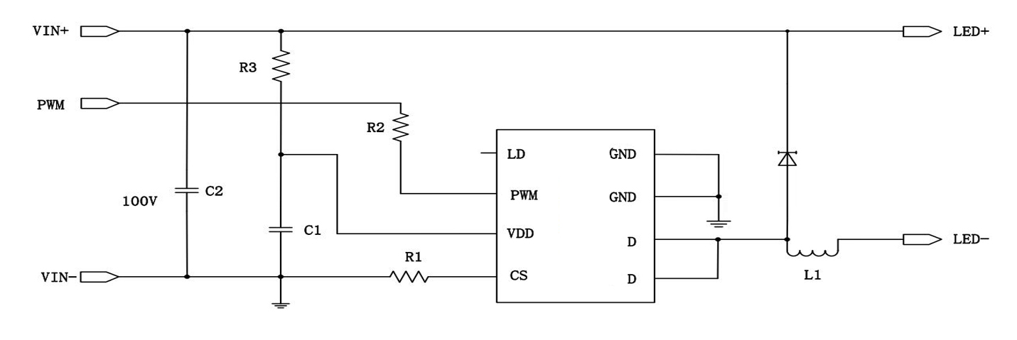
HX3226是專門為智能調光調色照明研發設計的降壓型LED恒流驅動芯片,支持PWM調光/ 模擬調光/ 0-10V調光/ DALI調光。

HX3226系列適用于LED磁吸燈、舞臺燈、景觀亮化照明、洗墻燈、攝影補光燈、智能家居照明、臺燈等低壓照明方案中

智能照明前級+DC后級采用明和SL8701現實全程無頻閃調光,雙路共陽,低輝度時調光無抖動,無跳變,調光曲線平滑,調光深度千分之一,非常好的調光效果體驗。可做WIFI調光,藍牙調光,2.4G調光。

HX3226是一款外圍電路簡單的多功能平均電流型LED 恒流驅動器,適用于寬電壓范圍的非隔離式大功率恒流LED 驅動領域。

HX3226支持65536級高輝度調光,65536:1高輝度調光比,支持高輝高刷,調光頻率范圍1KHz-25KHz,支持高頻調光無頻閃。

特點

l?支持高輝調光,65536:1 占空調光比

l?寬輸入電壓:5-100V

l?平均電流工作模式

l?高效率:最高可達 95%

l?輸出電流可調范圍 60mA~1.8A

l?內驅 100V/6A 的 MOS

l?內置 5.5V 穩壓管

l?最大工作頻率 1MHz

l?恒流精度≤±3%

l?支持 PWM/模擬/分段調光

l?PWM調光頻率可達30K

l?封裝:SOP8

原理圖


主站蜘蛛池模板: 大同县| 赫章县| 大名县| 肃宁县| 赤城县| 房产| 遵化市| 达日县| 罗城| 易门县| 张家界市| 南川市| 黄石市| 新乡县| 托克托县| 左权县| 拉孜县| 陆河县| 兴城市| 巴塘县| 青州市| 绥江县| 嘉善县| 理塘县| 绥中县| 噶尔县| 辽源市| 莒南县| 和田县| 二连浩特市| 读书| 洪雅县| 新闻| 绥化市| 分宜县| 壤塘县| 陵水| 绥滨县| 来安县| 云梦县| 成都市|