聯系我們 contact us
0755-23500973
- 手機:
- 137 6026 2620
- 經理:
- 何經理
- 郵箱:
- jesion.he@ac-led.com.cn
- 地址:
- 深圳市光明區公明街道上村上輦工業區5棟3樓
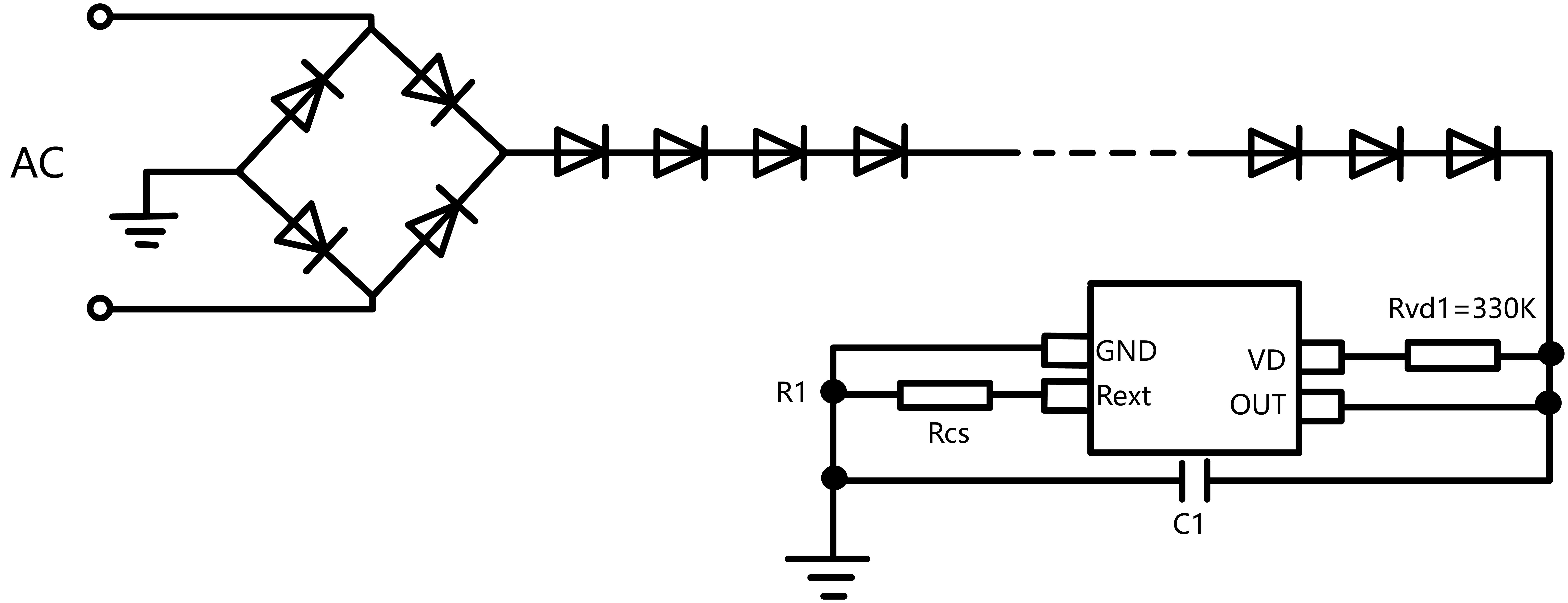
HX1010C單路恒功率高壓線性恒流IC
作者: 來源:本站 發表時間:2018-11-13 16:57:31 瀏覽:次
產品概述
單通道恒功率LED恒流驅動控制芯片
?概述
HX1010是一款高精度線性LED驅動芯片,應用于單段架構,系統結構簡單,無磁性元件,外圍元器件少,適用于市電直接供電的LED驅動一體化應用,方案成本低廉。
電流精度可控制在±3%以內,由外部電阻設定,峰值電流60mA ,可多芯片并聯使用增加電流輸出能力。
HX1010內置過溫及過壓自動降電流功能,提高了芯片的安全性和可靠性,具有多種保護功能,更安全,更可靠。
?特點
?輸出電流可調5mA-60mA
?恒流精度可以達到±3%
?具有恒功率自動調節功能
?具有過溫保護功能
?可多芯片并聯使用
?芯片應用線路無EMC
?封裝ESOP8
?應用領域
LED球泡燈/筒燈/吸頂燈/日光燈管/高壓燈條
LED日光燈管
HX1010是一款高精度線性LED驅動芯片,應用于單段架構,系統結構簡單,無磁性元件,外圍元器件少,適用于市電直接供電的LED驅動一體化應用,方案成本低廉。
電流精度可控制在±3%以內,由外部電阻設定,峰值電流60mA ,可多芯片并聯使用增加電流輸出能力。
HX1010內置過溫及過壓自動降電流功能,提高了芯片的安全性和可靠性,具有多種保護功能,更安全,更可靠。
?特點
?輸出電流可調5mA-60mA
?恒流精度可以達到±3%
?具有恒功率自動調節功能
?具有過溫保護功能
?可多芯片并聯使用
?芯片應用線路無EMC
?封裝ESOP8
?應用領域
LED球泡燈/筒燈/吸頂燈/日光燈管/高壓燈條
LED日光燈管
LED燈絲燈/ G9/MR16
典型示意電路圖
附件規格書下載
上一條 : HX1000A高壓線性恒流IC
下一條 : HX2088開關調光調色溫芯片
